V6 и его “братья” - попытка
объективной критики
(основные моторы 4А кузова)
Появление моторов V6 и модернизация
всех атмосферных рядных моторов Ауди,
устанавливаемых на кузове 4А, ознаменовало
переход де-факто на “новую” концепцию фирмы –
комфортность превыше всего, рынок требует. Но в
компромиссных конструкциях ничего даром не
дается – и обратной стороной медали стало
ухудшение ряда характеристик, малозаметное на
Западе, зато осложняющие жизнь здесь.
При проектировании мотора V6 явно
была поставлена задача сделать его возможно
более “коротким”, что улучшает развесовку
переднеприводной\полноприводной машины с
продольным расположением мотора (т.е.
находящимся за передней осью). Кроме того,
немаловажно и снижение массы двигателя (V6
намного легче R5). Это повлекло за собой
максимальное сближение цилиндров и, как
следствие, межцилиндровые перегородки стали
тонкими, а следовательно менее жесткими. Постель
коленвала также стала заметно слабее, а сам
коленвал имеет всего 4 коренных шейки. Болты
крепления головки блока стали длинными, а резьба
для них в блоке ушла вниз от привалочной
поверхности, сами болты стали "пружинные", в
результате стык головка\блок стал существенно
менее жестким, чем у 4-5ц. Надо отдать должное
немецкой точности – до 150 тыс. это соединение
обычно доживает без проблем, иногда раньше срока
появляются пятна масла в районе прокладок, т.н.
“потение”, но кроме грязи к каким-либо
последствиям поначалу это не ведет. Еще одно
следствие – V6 крайне нестоек к перегреву (хотя
этот параметр при разработке моторов никто,
конечно, не закладывает, но в российских условиях
такая “стойкость”, которой обладали “старые”
моторы, не была лишней). Два важных замечания.
Первое – у V6 не очень надежный шланг подачи
высокого давления на рулевую рейку, в случае его
«пробивания» течь обычно идет в развал блока (и
при этом падает уровень г\жидкости). Не следует
путать этот дефект с протеканием прокладок ГБЦ.
Второе – в развале блока есть технологический
люк (алюминевый), может показатся, что течет
оттуда, однако это не так. Под люком находятся 2
маслоклапана из строя практически не выходящих,
а сам он закрывает верхнею полость картера и течь
там просто нечему.
4-5ц. моторы получили максимально
возможный размер цилиндра – 82,5мм, и, как
следствие, тонкую межцилиндровую перегородку. Но
учитывая их относительно малую нагруженность, к
каким либо серьезным последствиям это не ведет. В
остальном, конструктивно, изменений против
старых версий практически нет (разве что у AAR есть
маслянное охлаждение поршней, ранее
применявшееся только на турбо).
Еще один “источник масла” у V6
находится внизу – стык алюминиевого картера с
блоком и теплообменник, к которому
прикручивается масляный фильтр. Если с последним
все просто – нужно поменять или поставить на
герметик уплотнительное кольцо, то до картера
добраться несколько проблематично. Основной
причиной течи является применение пары
чугун\алюминий – разные коэффициенты теплового
расширения делают этот стык “подвижным” и в
конечном итоге прокладка не выдерживает, вплоть
до разрывов. Видимо играет свою роль и меньшая
жесткость самого блока V6, поскольку подобное
соединение применено и на AAN, но там сильных течей
не возникает, обычно только “потение”.
По моему опыту можно с уверенностью
сказать, что наиболее подвержены потению и
подтеканию подобного рода машины с городским
циклом эксплуатации, особенно российские,
сказывается сильный перепад температур зимой, а
вот т.н “автобанные” а\м часто и при пробегах
больше 200 тыс. не имеют даже следов масла.
Подобное можно объяснить только количеством
циклов нагрев\охлаждение – у городской машины их
количество заметно больше.
У части старых моторов возможен
достаточно пугающий дефект – попадание масла в
ОЖ, обычно это связано не с прокладкой ГБЦ, а с
коррозией и разрушением теплообменника. Такой
дефект характерен для 4ц и части V6 (у остальных
моторов его нет). Теплообменник – это квадратная
коробка с 2-мя шлангими к которой прикручивается
маслофильтр (3). Причины коррозии очевидны – или
это очень старая ОЖ или в мотор был залит «левый»
Тосол. По этой причине желательно использовать
ОЖ хорошего качества, не так уж дорого она и стоит
(включая оригинальную G11).

Достаточно неудачно у V6 спроектирован привод ГРМ - он подвержен сильнейшим вибрациям, что ведет к ускоренной гибели роликов и помпы. Вернее, правильнее сказать так - эта комбинация не имеет такого запаса по ресурсу как у старых R4\5. Соответственно - меняешь ремень - меняй все ролики (2шт) и помпу, попытка сэкономить приведет к "мелкому" ремонту мотора (V6 загибает клапана). Норма замены ремня ГРМ - 90тыс, при пробеге около 150тыс. возможно заклинивание помпы со всеми вытекающими последствиями. То же относится и к многоручьевому ремню, вернее к его роликам, их еще сделали, как врагам, с маленькими подшипниками, но высокой ценой. После номера 4А S 026 714 привод модернезировали - изменились оба ролика и помпа, ремень ГРМ не менялся. Любопытно, что в процессе производства привод многоручьевого ремня неоднократно модернизировался и в конечном итоге лишился паразитного ролика. Из этого следует простой вывод - на старые версии спокойно ставится короткий ремень последней версии, кронштейн ролика можно демонтировать.

До 4А N 023926, промролик 078 903 341В, ремень (для
климатика) 078 903 137С 21,36х2280мм.

От 4А N 023926 до 4А R 029517 , промролик 078 903 341 J, ремень
(для климатика) 078 903 137Р 21,36х2260мм.
От 4А R 029517 , промролика нет, ремень (для
климатика) 078 903 137AJ 21,36х1905мм.
Цилиндры в блоке
расточены до предела – в “оригинале” нет
ремонтных размеров, но Mahle делают ремонтные
поршни в увеличениями +0,25 и +0,5.
Привод ГРМ у 4-5ц. также модернезирован в сторону
удорожания (хотя к старым простым конструкциям
претензий никаких не было). Сильно испортить этот
узел фирмачи не смогли (слишком хорош был), но
кое-каких успехов достигли. Натяжной механизм у
AAR может изнашиваться по втулке ролика (у
которого нет буртов), что ведет к его перекосу и
постепенному сползанию ремня с шестерен, вплоть
до срыва. Некоторым утешением может служить факт,
что AAR не гнет клапана, однако доступ к любой
детали, расположенной в передней части мотора
требует демонтажа радиатора, поэтому для AAR и AAN
крайне желательно при штатной замене ремня ГРМ,
по возможности, заменить все подозрительные
детали (ролик, подшипник вентилятора, сальник
к\вала, многоручьевый ремень с натяжителем,
возможно вискомуфту). У 4ц. ролик стал
пластмассовый и его заклинивание можно и не
заметить (хотя это – для экономных, при замене
ремня ролик также положено менять).
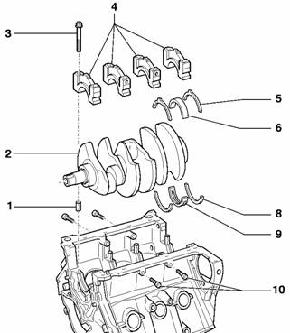
Условия работы (V6) короткого коленвала без щек на шатунных шейках трудно назвать идеальными, однако традиционно высокое качество стальных кованых коленвалов Ауди частично решает проблему, вал малоподвержен износу, в большей степени ему подвержены вкладыши, особенно коренные, как это не покажется странным. Тем не менее при больших пробегах V6 может “внезапно” потерять давление масла на больших оборотах со всеми вытекающими последствиями - и в этом вина именно изношенных коренных вкладышей (обычно 1 или 4 шейки).

Серьезной болезнью V6 и последних версий 4-5ц. является
нарастающий расход масла, начиная с пробега порядка 150-170тыс. Замена колпачков обычно понижает расход масла,
но затем он может вернутся к предыдущему значению и перекрывает его, достигая 1л\1000км и более
(степень прогрессирования расхода масла сильно зависит от типа мотора, но в среднем, на 50-60тыс.км можно рассчитывать).
Подобное связано не только с колпачками, но в первую очередь с кольцами (ибо износ цилиндра хоть и имеет место,
но не такой значительный) --дело в том, что в стремлении конструкторов понизить потери на трение часть
( и еще по ряду причин) этого поколения моторов получило “тонкие” кольца, соответственно износ их до
критических значений стал происходить заметно быстрее, чем на “старых” моторах (в первую очередь маслосъемного).
Вероятно, и здесь сыграла свою роль меньшая жесткость блока V6 - это процесс на нем более прогрессирующий.
Наиболее выражено это у ААН (AAD, ABK) - именно на этих моторах наиболее “тонкие” кольца, особенно маслосъемное
(1,2х1,5х2,0). У АВС\AAR кольца ближе к старым версиям (1,5х1,75х3,0), поэтому у них эта проблема выражена заметно
меньше. Тем не менее подобное явление не следует рассматривать как серьезный недостаток - износ цилиндра обычно незначительный
и позволяет обойтись без расточки и дорогостоящих ремонтных поршней, однако это не относится к ААН.
По ряду причин и из практических наблюдений у ААН замена колец малоэффективна, в силу конструкции поршневой группы
этот мотор крайне “чувствителен” даже к незначительным, на первый взгляд, износам цилиндра,
поэтому для него эффективен лишь “дорогой” путь ремонта - с расточкой под ремонтные поршни.
В настоящий момент на рынке представлено очень много “уезженых” ААН, причем независимо от года выпуска -
парк российских иномарок в свете последних таможенных пошлин стремительно стареет.
До 4А S 026 714 применялись клапана с 8мм стержнем, после - 7мм (естественно ГБЦ, р\вал
и др. - изменилось). При этом в сборе ГБЦ взаимозаменяемые, естественно парой.
Трудно с уверенностью судить, с чем
это связано, но V6 страдает, хотя и в меньшей
степени, характерной для турбомоторов болезнью
– растрескиванием и искривлением привалочной
поверхности выпускных коллекторов. При
устранении этого дефекта торцовка привалочной
поверхности коллектора просто обязательна.
Как уже отмечалось, нарастающий
расход масла характерен для пробегов порядка 170
тыс. км. Если он не вызван серьезными причинами
(перегрев и т.д.), то его обычно удается сильно
уменьшить заменой маслосъемных колпачков.
Оставшийся, после их замены, расход масла обычно
не превышает 1-2л\10000 км и связан уже с ЦПГ
(цилиндро-поршневой группой). При замене
колпачков ни в коем случае нельзя рассухаривать
клапана молотком, а при их установке на стержень
клапана обязательно должен одеватся защитный
колпачок.
Неприятным моментом для V6 является
неодновременность появления характерных для
него дефектов – расхода масла, течи прокладок
ГБЦ и картера, увод\растрескивание коллекторов. С
одной стороны имело бы смысл (при появлении части
дефектов) сразу сделать текущий ремонт всего
мотора и надолго забыть обо всех неприятностях,
но он достаточно дорог, с другой стороны, вроде бы
и можно все делать “по частям”, но в конечном
итоге сумма всех ремонтов может значительно
превысить сумму ремонта мотора. Тем не менее,
обычно избирается второй путь, в надежде, что
повезет.
По мнению же автора, для V6 есть смысл применять
следующий алгоритм ремонта – появления
“потения” прокладок головок не является
трагедией и кроме отсутствия эстетического
наслаждения ничего опасного обычно не несет (и не
сказывается на расходе масла, кстати), следом
начнется нарастание расхода масла и когда его
потребление приблизится к 1л\1000км (с учетом
замены мск) или перестанет удовлетворять хозяина
- сделать дорогой и качественный текущий ремонт
мотора (включая замену сцепления). В результате
получится мотор, как минимум 100-150 тыс. не
требующий глубокого вмешательства. Разумеется,
пойти по такому пути могут помешать серьезные
проблемы, требующие немедленного ремонта (пробой
или сильная течь прокладки, перегрев, была даже
трещина в головке), либо финансовые трудности.
Для V6-2,6 (АВС) характерны дефекты
клапана стабилизации ХХ – для начала его нужно
снять и промыть от отложений, при наличии
сильного люфта – заменить. Также промывается и
его воздушный канал во впускном коллекторе.
Следует учесть, что при установке клапан надо
проинициализировать ВАГом 1551\52, комп должен
«откалибровать» его, иначе возможны проблемы с
ХХ.
Кроме того нередки случаи
приобретения а\м с V6, уже побывавшим в ремонте у
“простых рабочих парней”. Оберегая психику
читателей от излишних потрясений в наше тяжелое
время, воздержусь от описания масштабов
проведенных ремонтов и сумм затрат на
восстановление, тем более что емкость этой темы
достаточна для написания отдельной статьи.
Ну вот, скажете, одни проблемы и
хорошего ничего. Хорошее есть – очень надежная
система питания\зажигания (практически
идеальная у ААН, у АВС несколько хуже), дефекты
сводятся, как правило, к замене лямбда-зондов и
катализаторов, система охлаждения с большим
запасом и более-менее прилично разбирается. Но
когда V6 стоит в кузове 80\А4 - добратся куда-либо
может быть проблематично. Кроме того, исправный V6
– очень “тихий” и сбалансированный мотор, а его
плавная характеристика устраивает очень многих
владельцев (к чему, собственно и стремилась
фирма). Замечу, для желающих купить а\м с таким
мотором: у V6 в нормальном состоянии при его
работе на ХХ должны быть слышны лишь
“аппаратные” звуки (стрекот форсунок). Если же
при прогазовках из мотора слышится негромкое
“рычание”, то можно быть уверенным либо в
значительном износе ЦПГ, либо в низком качестве
проведенного ремонта.
У 4-5ц. картина не столь радужная. Электронно-механические впрыски - системы, склонные к старости потерзать своих хозяев. AAR, как и его братья NF и NG комплектуется KEIII-Jetronic, AAD\ACE - KE-Motronic. Их проблемы не один десяток раз обсуждались в конференции (гуляние ХХ, провалы и т.д). Обычно ремонт сводится к замене форсунок, лямбда-зонда, потенциометра расходомера, промывке клапана ХХ, проверке\замене изношенных деталей системы зажигания и последующей отстройки системы (см. КЕIII-Jetronic).br>
Достаточно удачным мотором из
«слабосильных» можно считать АВК – стандартная
для 4ц. «железная» часть и внятная система
питания\зажигания, однако для ее успешной
диагностики требуется ВАГ 1551\52. кроме того
некоторые его детали, к старости выходящие из
строя (расходомер, датчик положений заслонки)
достаточно дороги.
Из “внешних” дефектов характерны
следующие – течь шланга высокого давления
гидронасос\рейка, выход из строя самого
гидронасоса (течь), коррозия с последующим
разрушением радиатора охлаждения, у машин с
климат-контролем – забивание радиатора
тополиным пухом и грязью (рекомендуется
ежегодная чистка в начале лета). Для а\м с номера
кузова 4А-N-023926 характерны дефекты маховика –
демпфер убран из диска сцепления и перенесен в
маховик, но от этого он не стал надежнее, зато
цена такого маховика весьма значительна, таким
образом к троице диск-корзина-выжимной может
добавится и дорогостоящий маховик.
V6 стал первым шагом на пути, ведущем
к “одноразовости” машин. В сущности их ресурс
уменьшился по сравнению с предшественниками не
столь уж значительно, и все-таки его можно, пусть
ценой и больших затрат, “вернуть к жизни” не
прибегая к агрегатным заменам (блок цилиндров в
сборе). Свой “немецкий” ресурс в 150-250 тыс. он
честно вырабатывает, не доставляя особых хлопот
(за исключением жестких требований к замене
ремня ГРМ). А то, что парк российских машин старый,
а условия их эксплуатации далеки от европейских
– это вопрос уже не технический…
Теперь краткий обзор
основных моторов кузова 4А.
1. ААЕ (АВТ на А80) - центральный впрыск, Mono-Motronic, 2л, 101л.с. Самый слабый из массовых. Несмотря на простоту к старости может потребовать замены дорогостоящих деталей впрыска.
2. AAD – KE-Motronic, 2л., 115л.с. Как любая КЕ-система может
доставить неприятности. Кроме того, потенциометр
расходомера Бошем не поставляется, в отличие от
AARа.
3. ABK – Digifant, 2л., 115л.с. Оптимален среди 2л.моторов 4А.
Система питания\зажигания – легко
предсказуемая, не склонен к «глюкам». Однако для
диагностики требуется ВАГ 1551\52
4. ACE 2л, 4ц, 140 л.с.,16V, KE-Motronic, достаточно редок.
Обычно ставился на замену AAR для Италии. В
сравнении с последним – более хлопотный, при
этом его характеристики хуже. Имеет “свой”
ремень ГРМ, ролик, цепь р\валов и 16 7-мм колпачков.
5. AAR (NG, NF) – КЕIII-Jetronic, 2309куб.см., 133л.с. См. AAD. Кроме
того имеет плохой доступ спереди.
6. ABC – Холодный запуск связан с бензином. Весьма
странное свойство.
7. AAH – В определенном смысле оптимален среди
мощных атмосферников.
8. AAN – Наилучший из моторов 4А кузова, удачное
сочетание мощности, надежности и затрат.
Неприятности две – S4\6 машина достаточно дорогая,
сам мотор снят с производства с началом выпуска
4В кузова.
P.S: Не следует все вышеизложенное
воспринимать слишком трагично – это просто
перечень возможных дефектов и некоторых путей их
лечения. Практически для любого мотора можно
написать что-то подобное, пусть и будет поправка
на больший пробег (для старых версий). Для т.н
“свежих” машин (не только Ауди) тенденция к
снижению ресурса и ремонтопригодности очень
характерна – производителям не нужно, чтобы а\м
вторичного рынка оттягивали покупателя от новых
машин.
Потом Ауди начнет модернезировать
V6 (уже на А6-4А они появятся) – появятся 5V ГБЦ,
архиумная электроника, его начнут наддувать – но
это уже совсем другая сказка... :-)
| Код мотора |
ADA |
ABB |
ADR |
AAE |
ADW |
AAD |
ABK |
| Число цилиндров |
4 |
4 |
4 |
4 |
4 |
4 |
4 |
| Число клапанов на цилиндр |
2 |
2 |
5 |
2 |
2 |
2 |
2 |
| Объем |
1.6 |
1.6 |
1.8 |
2 |
2 |
2 |
2 |
| Мощность kW при об\мин. |
74/6000 |
75/6100 |
92/5800 |
74/5500 |
79/5300 |
85/5400 |
85/5400 |
| Крутящий момент Nm при об\мин. |
130/3200 |
127/3700 |
173/3950 |
157/2750 |
160/3200 |
168/3200 |
166/3200 |
| Диаметр цилиндра мм. |
81.0 |
81.0 |
81.0 |
82.5 |
82.5 |
82.5 |
82.5 |
| Ход поршня мм. |
77.4 |
77.4 |
86.4 |
92.8 |
92.8 |
92.8 |
92.8 |
| Степень сжатия |
10.5 |
10.0 |
10.3 |
9.3 |
9.0 |
10.3 |
10.5 |
| Система питания\зажигания |
Multi Point Injection |
K-Jetronic/TSZ-H |
Motronic |
Digifant |
Mono-Motronic |
KE-Motronic |
Digifant |
| Октановое число топлива |
95 |
98 |
95 |
91 |
88 |
95 |
95 |
|
| Код мотора |
ACE |
AAN |
AAR |
AFM |
ACZ |
ABC |
AEJ |
| Число цилиндров |
4 |
5 |
5 |
6 |
6 |
6 |
6 |
| Число клапанов на цилиндр |
4 |
4 |
2 |
2 |
2 |
2 |
2 |
| Объем |
2 |
2.23 |
2.3 |
2.4 |
2.6 |
2.6 |
2.8 |
| Мощность kW при об\мин. |
103/5900 |
169/5900 |
98/5500 |
110/5800 |
102/5750 |
110/5750 |
120/5400 |
| Крутящий момент Nm при об\мин. |
185/4500 |
350/1950...3000 |
186/4000 |
210/3300 |
210/3500 |
225/3500 |
235/300 |
| Диаметр цилиндра мм. |
82.5 |
81.0 |
82.5 |
81.0 |
82.5 |
82.5 |
82.5 |
| Ход поршня мм. |
92.8 |
86.4 |
86.4 |
77.4 |
81.0 |
81.0 |
86.4 |
| Степень сжатия |
10.8 |
9.3 |
10.0 |
10.0 |
9.0 |
10.0 |
9.2 |
| Система питания\зажигания |
KE-Motronic |
Motronic |
KEIII-Jetronic/ VEZ |
Multi Point
Fuel Injection |
Multi Point
Fuel Injection |
Multi Point
Fuel Injection |
Multi Point
Injection |
| Октановое число топлива |
95 |
95...98 |
95 |
95 |
88 |
95 |
88 |
|
| Код мотора |
AAH |
ACK |
ABH |
AEC |
AHK |
1Z |
AHU |
| Число цилиндров |
6 |
6 |
8 |
8 |
8 |
4 |
4 |
| Число клапанов на цилиндр |
2 |
5 |
4 |
4 |
4 |
2 |
2 |
| Объем |
2.8 |
2.8 |
4.2 |
4.2 |
4.2 |
1.9 |
1.9 |
| Мощность kW при об\мин. |
128/5500 |
142/6000 |
206/5800 |
213/5800 |
240/6500 |
66/4000 |
66/4000 |
| Крутящий момент Nm при об\мин. |
250/3000 |
280/3200 |
400/4000 |
400/4000 |
400/3500 |
202/1900 |
202/1900 |
| Диаметр цилиндра мм. |
82.5 |
82.5 |
84.5 |
84.5 |
84.5 |
79.5 |
79.5 |
| Ход поршня мм. |
86.4 |
86.4 |
93.0 |
93.0 |
93.0 |
95.5 |
95.5 |
| Степень сжатия |
10.3 |
10.6 |
10.6 |
10.8 |
10.6 |
19.5 |
19.5 |
| Система питания\зажигания |
Multi Point
Injection |
Motronic |
Motronic |
Motronic |
Motronic |
Diesel (direct injection) |
Diesel (direct injection) |
| Октановое число топлива |
98(95) |
95 |
98 |
98 |
98 |
|
|
| Цетановое число |
|
|
|
|
|
45 |
45 |
|
| Код мотора |
AAS |
AAT |
ABP |
AEL |
|
|
|
| Число цилиндров |
5 |
5 |
5 |
5 |
|
|
|
| Число клапанов на цилиндр |
2 |
2 |
2 |
2 |
|
|
|
| Объем |
2.4 |
2.5 |
2.5 |
2.5 |
|
|
|
| Мощность kW при об\мин. |
60/4400 |
85/4000 |
85/4000 |
103/4000 |
|
|
|
| Крутящий момент Nm при об\мин. |
164/2400...2500 |
265/2250 |
265/2250 |
290/1900 |
|
|
|
| Диаметр цилиндра мм. |
79.5 |
81.0 |
81.0 |
81.0 |
|
|
|
| Ход поршня мм. |
95.5 |
95.5 |
95.5 |
95.5 |
|
|
|
| Степень сжатия |
23.0 |
20.5 |
20.5 |
20.5 |
|
|
|
| Система питания\зажигания |
Diesel |
Diesel (direct injection) |
Diesel (direct injection) |
Diesel (direct injection) |
|
|
|
| Цетановое число |
45 |
45 |
45 |
45 |
|
|
|
|